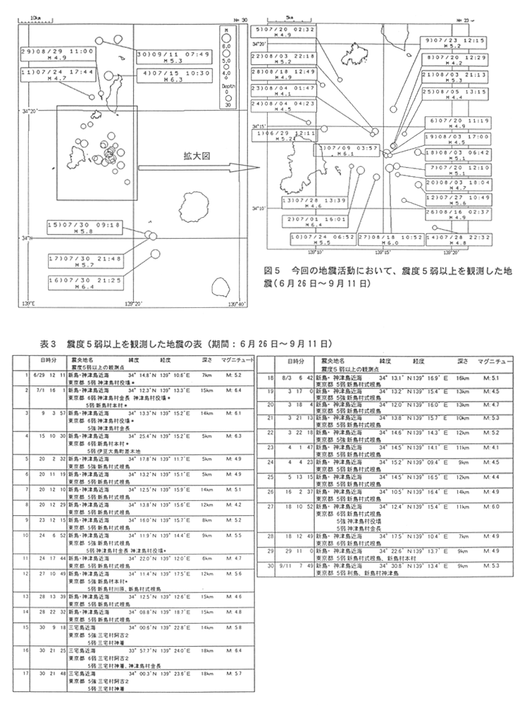
For the present seismic activity, events that registered seismic intensity of 5 lower or greater (June 26th to September 11th)

Japan Meteorological Agency
Seismic activity in the area from Miyakejima to Niijima-Kozushima
Return to Home Page